Practica #1 - Arquitectura del computador
Traere una nueva seccion practica de tecnologia trayendo así varias practicas que me mandan en la universidad donde capaz sean interesantes de ver.
Materiales/Programas
- Multisim
Procedimiento
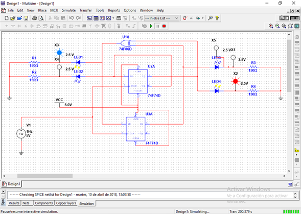
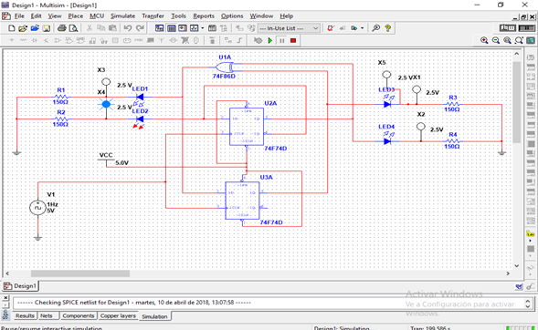
Se simuló el siguiente circuito con el software multisim utilizando:
• 4 LEDS
• 4 resistencias de 150 ohm
• 1 circuito integrado 74F86D
• 2 Flip-Flop 74F74D (tipo D)
Para simular una máquina de estados finitos de tipo síncrona, cuyos estados posibles vienen dados por la siguiente tabla de estados:

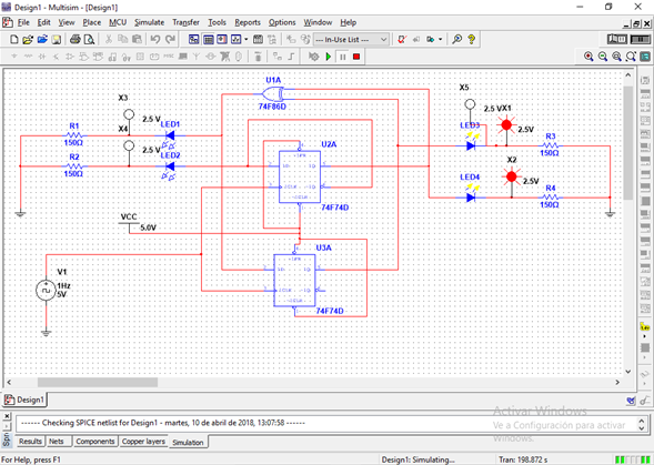
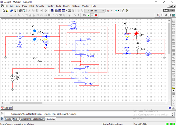
Estos fueron los resultados obtenidos:
Conclusión
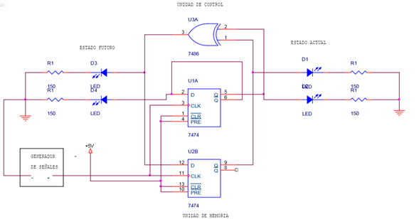
Esta práctica sirvió como experiencia al armar una máquina de estados finitos. Se pudo observar cómo funciona los circuitos de lógica secuencial, que a diferencia de los circuitos de lógica combinacional (cuya salida depende de la entrada en ese mismo instante), la salida o estados futuros dependen de estados anteriores, es decir, que son circuitos con memoria (ya poseen información).
En el circuito antes simulado en multisim, se puede apreciar como los estados de los led en el lado izquierdo (estado futuro) son repetidos en los led del lado derecho (estado actual) después de una fracción de tiempo (1Hz de pulsos de reloj), por eso se dice que se trata de una máquina de estados sincrónica, porque los cambios de estados están definidos por los pulsos de reloj y no por eventos, de hecho si se cambiaba la frecuencia de 1Hz a 100Hz se podía ver cómo era simulada la tabla de estados de una manera más rápida.
Además se pudo observar que dichos estados siempre finitos, es decir, no son estados generados por la máquina de una manera aleatoria, son estados previamente definidos mediante circuitos de lógica combinacional pero que dicha información se guarda en los flip-flop a través de la lógica secuencial.
Los estados simulados se pueden observar en la siguiente tabla (también mostrada anteriormente):

Donde se pueden extraer como ecuaciones de estado:
Qot+1=Do
Q1t+1=D1
Es decir, que el futuro de Qo es el Do actual y el futuro de Q1 es el D1 actual.
Will you follow me? 😊 @a-0-0
definitivamente tengo que ver todo de esto y espero que sea una serie de publicaciones
lo será, ire montando poco a poco post sobre esto