How to choose a solar water heater?
Today the use of solar water heaters has rapidly spread not only because of the great economic savings that its use represents by almost completely eliminating the use of fuel, usually gas, but also because it represents a more pollution-free environment.
There are several models of Solar Heaters as we can see:
Vacuum Tubes System
The simplest ones are made up of vacuum tubes through which the water passes. These are the most economical and are very efficient. The water temperature reaches 158 °F / 176 °F. The water enters the glass tubes, is heated and, by difference of temperature, the hot water rises and go into the collector tank. See Image 1
These systems, although economical and efficient, have basically three drawbacks:
- The water circulates inside the glass tubes and if for some reason it breaks, it will cause a great leak of water.
- The glass tube is simply fixed to the water tank by means of a rubber gasket which, after a while, is hardened by the action of the high temperature and begins to allow water to leak. So, you have to change these gaskets.
- To change any of the damaged gaskets, the water tank must be emptied completely with the consequent waste of water.

Heat Pipe System
Heat Pipe system is equally efficient and has the great advantage that the water does not enter the glass tubes, thus avoiding all the inconveniences of the previous model. Inside these vacuum tubes is inserted a special copper tube, very thin, with a liquid inside.
This copper tube is heated by the action of the Sun at very high temperatures. The tip of this copper tube is inserted in the water tank but without touching the water since the tank has screwed up some very thin copper caps in its structure (see pictures) where the cooper tube is inserted and this, in turn, heats the water that is contained into the thermal tank. This system is today the most efficient and safe. The water temperature also reaches 176 °F.





Heat Pipe system http://www.wksolar.com
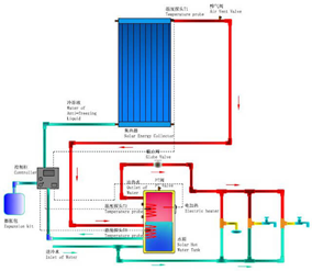
Flat Panel Solar Collector System
Flat Panel collectors are generally more expensive and those panels do not heat the water with vacuum tubes, instead they have a copper coil inside. These heaters are normally installed with water forced circulation through a recirculation pump to have the same thermal performance as the tube heaters. There is also the option to be installed by gravity, this is without a pump, but their thermal efficiency is lower.


Flat Panel Collectors http://www.wksolar.com
How the ideal heater is calculated?
Normally you must consider from 30 to 40 liters per person that lives there, plus an additional “person” to supply the hot water for washing clothes and for cooking. For example, for a house with 4 people in theory you should buy a 180 to 200 liters’ heater.
To get a better performance of the solar water heater there are several considerations that we must make since its efficiency will depend not only on how cloudy or sunny the day is but also on our habits when showering.
- While it is true that if the shower is performed at night the water will be hot by the effect of the sun throughout the day, it is also true that the hot water used at that time will be replaced by cold water that will mix with the Hot one in the tank and in the morning may no longer be so hot for other users.
- According to WHO data (World Health Organization) the average water used in the shower is approximately 95/100 liters every 5 minutes.
Thermal Tank
The Thermal tank of solar heaters usually has a polyurethane inner lining of 2” thick that allows them to perfectly store the hot water for 24 hours.


Thermal Tank http://www.solarandmorehq.com/solar/cctv-2
Great post!
Thanks Aurica!!!
Interesting and professional!!
Thanks Sulemna, I try to do my best!!!